CRÉMONE AJUSTABLE À CYLINDRE - AXE 40 MM - COTE D : 980 MM

Ferco

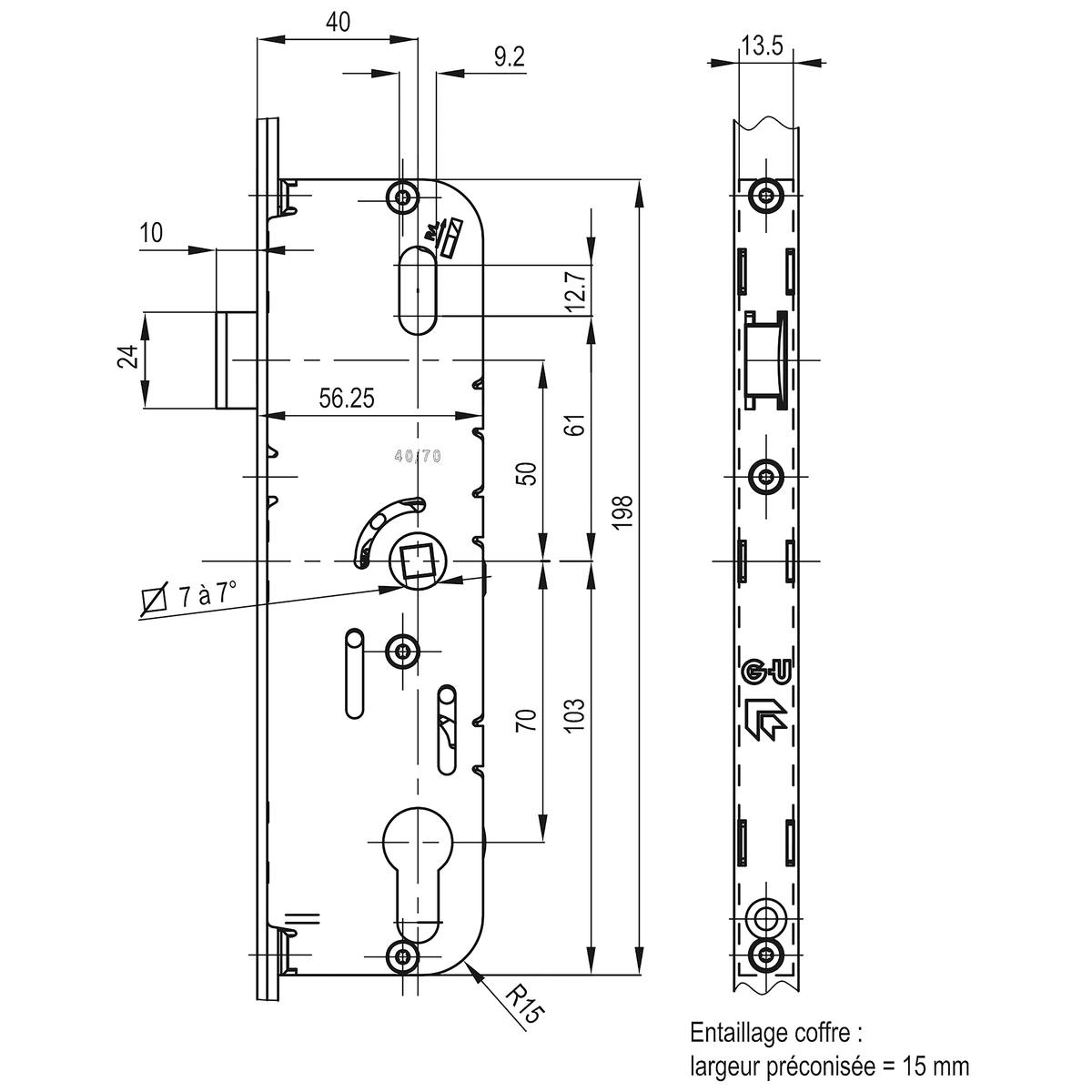
Description

Crémone ajustable avec prolongateur (à commander séparément) à cylindre européen (non fourni) pour porte-fenêtre deux vantaux (PF2). Entraxe 70 mm, carré de 7 mm, têtière de 16 mm. Réversible. Verrouillage haut et bas par relevage de béquille. Livrée sans gâche.

Caractéristiques
techniques

  • Axe fouillot mm - 40
  • Cote d mm - 980
  • Hff - 1900 à 2400
  • Longueur mm - 1529
  • Nombre de rouleaux - 2 rouleaux
  • Réference fabricant - G-22768-15-0-1
  • Têtière - 16 mm

Produits complémentaires


AVIS CLIENTS

Ce produit n'a pas encore d'avis client.