SERRURE COFFRE 39,5 MM PÊNE DORMANT DEMI-TOUR 7

Metalux

SERRURE COFFRE 39,5 MM PÊNE DORMANT DEMI-TOUR 7
SERRURE COFFRE 39,5 MM PÊNE DORMANT DEMI-TOUR 7
Réf. 009304
Consulter le tableau des références

AXE MM

DIMENSIONS

PROFONDEUR DE COFFRE

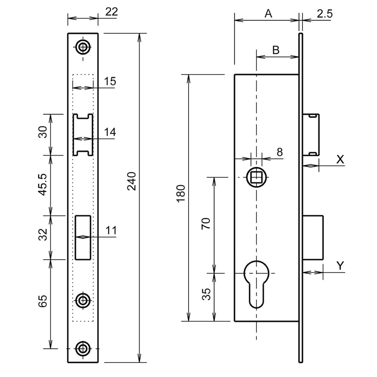
Description

Serrure à larder traitée anticorrosion, pour cylindre européen panneton DIN. Sans rappel du demi-tour à la clé. Têtière inox plate 2,5 x 224 mm. Entraxe 70 mm, fouillot 8 mm. Réversible. Livrée sans cylindre, sans gâche 1102, 1103, 3104 à 3114 ou 4106.

Caractéristiques
techniques

  • Axe mm - 24,5
  • Dimensions - X = 12, Y = 14,5
  • Désignation - Pêne dormant et 1/2 tour
  • Profondeur de coffre - 39,5 mm
  • Têtière - Plate 22 mm

Produits complémentaires


Produits de même gamme


AVIS CLIENTS

Ce produit n'a pas encore d'avis client.