CHEVILLE AUTOPERCEUSE MÉTAL GKM-S 35 + VIS 4,5x35 (B.100)

Fischer

Description

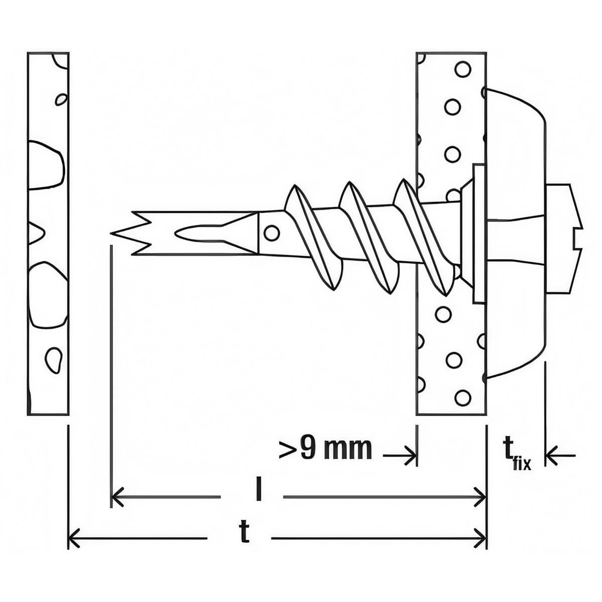
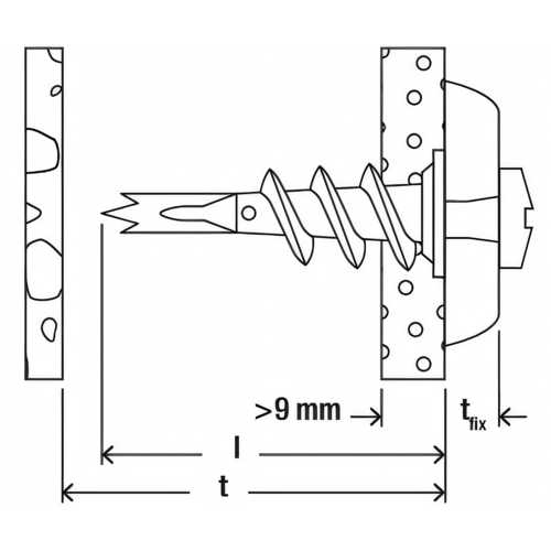
Dans le montage en attente, la cheville est vissée dans la plaque de fibro-plâtre et carton-plâtre, à ras de la surface. Le filetage auto-taraudeur tranchant permet une fixation sûre et ajustée. Cela permet d'obtenir une capacité de charge élevée. Le fischer GKM peut accueillir des vis à bois, à tôle et à panneaux de particules de 4 à 5 mm d'épaisseur, ainsi que différents crochets et œillets. Cela la rend universellement adaptée à la fixation sûre et rapide des lumières, des installations électriques et des accessoires d'ameublement. Fournie avec vis 4,5 x 35 mm.

Caractéristiques
techniques

  • Cdt - 100
  • Désignation - Cheville/cloison sèche
  • Fonction - Pour charge légère
  • Longueur mm - 31
  • Matière - Zamac
  • Vis - Fournie

AVIS CLIENTS

Ce produit n'a pas encore d'avis client.